Mitsubishi
PM100CBS060
PM100CBS060
MITSUBISHI
IGBT Modules
In Stock: 90200 pcs
je visokozmogljiv inteligentni modul (IPM), zasnovan za zahtevne industrijske aplikacije.Ta modul združuje napredno tehnologijo IGBT in diode za proste volje, kar zagotavlja zanesljivo pretvorbo energije, hitro preklop in minimalne izgube prevodnosti.Njegove kompaktne, izolirane ploske in vgrajene zaščitne značilnosti še povečajo njegovo zanesljivost in toplotno upravljanje.
Katalog
Mitsubishi
PM100CBS060
PM100CBS060
MITSUBISHI
IGBT Modules
In Stock: 90200 pcs
je visokozmogljiv inteligentni modul moči (IPM), zasnovan za industrijske aplikacije, ki zahtevajo učinkovit nadzor moči.Z oceno napetosti 600V in trenutno zmogljivostjo 100A se odlikuje v motornih pogonih, servo sistemih in neprekinjenih napajalnih napajanju (UPS).Modul združuje IGBT -je in diode za prosti volilnice, da se zagotovi hitro preklop in nizke izgube prevodnosti, kar zagotavlja zanesljivo pretvorbo moči.Njegova kompaktna, izolirana ploščata zasnova ponuja večje toplotno upravljanje in je idealen za hitre preklopne aplikacije.PM100CBS060 vključuje tudi zaščitne značilnosti, kot so prekomerni tok, kratek stik in zaščitni ukrepi prekomerne temperature, da se zagotovi varno in učinkovito delovanje.
Ta modul je s svojimi dobrimi lastnostmi in vsestranskostjo kot nalašč za široko paleto industrijskih nastavitev.Ne zamudite možnosti, da povečate delovanje sistema.Poiščite danes, da oddate svoja naročila za množico za PM100CBS060 in zagotovite zanesljive rešitve za svoje projekte.
Mitsubishi
PM100CBS060
PM100CBS060
MITSUBISHI
IGBT Modules
In Stock: 90200 pcs
izdeluje Mitsubishi Electric Corporation je vidno japonsko večnacionalno podjetje, specializirano za električno in elektronsko opremo.Ustanovljen je bil 15. januarja 1921, se je kot odmik iz ladjedelništva Mitsubishi (zdaj Mitsubishi Heavy Industries) razvil v globalnega voditelja v različnih tehnoloških sektorjih.Mitsubishi Electric s sedežem v Tokiu je znan po raznolikem portfelju izdelkov, ki vključuje tovarniške avtomatizacijske sisteme, klimatske enote, dvigala, polprevodnike in satelitsko komunikacijsko opremo.Podjetje deluje v več kot 40 državah, pri čemer zaposluje približno 149.000 posameznikov po vsem svetu.
• IGBT čip 4. generacije: Uporablja postopek z drobnim pravilom 1 µm in doseže tipično napetost nasičenosti zbiralnika-emiter (VCE (SAT)) 1,7 V, kar je izboljšalo delovanje in učinkovitost.
• Mehko obnovitev diode: Vključuje diodo, zasnovano za mehke lastnosti obratnega obnavljanja, zmanjšanje elektromagnetnih motenj (EMI) in izboljšanje splošne zmogljivosti sistema.
• Prevezelena zaščita: Odlikuje senzor temperature na čipu, ki spremlja temperaturo stika (TJ) IGBT čipov, kar zagotavlja zaščito predtemperature za preprečevanje toplotnih poškodb.
• Monolitna logika pogona in zaščite: Vključuje vrat pogona in zaščitna vezja, vključno z odkrivanjem in zaščito za prekomerni tok, kratkim stikom, prekomerne temperature in premajhne napetosti, kar povečuje zanesljivost sistema.
• Izoliran paket z ravnim bazom: Zasnovan z izoliranim paketom z ravnim bazom, kar olajša enostavno integracijo v različne sisteme in zagotavlja robustne mehanske in toplotne zmogljivosti.
• Servo pogoni: Uporablja se v industrijskih servo sistemih za natančen nadzor gibanja.
• Krmiljenje motorja: Zaposlen v različnih aplikacijah za nadzor motorja, ki zahtevajo visoko učinkovitost in zanesljivost.
• Neprekinjene napajalnike (UPS): Vgrajen v sisteme UPS, da se zagotovi neprekinjeno napajanje.
•
Klimatske naprave: Uporablja se v sistemih HVAC za učinkovito delovanje.
• Domači aparati: Uporablja se v napravah, ki zahtevajo spremenljivo krmiljenje hitrosti.
• Fotovoltaična proizvodnja električne energije: Vključeno v sisteme sončne energije za učinkovito pretvorbo energije.
• Proizvodnja vetrne energije: Uporablja se v sistemih vetrne energije za pretvorbo energije.
• AUtomotivne aplikacije: Zaposleni v električnih vozilih in hibridnih sistemih za učinkovito upravljanje električne energije.

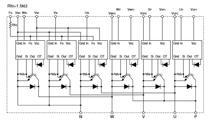
Ta notranji funkcijski blok diagram modula
PM100CBS060
PM100CBS060
MITSUBISHI
IGBT Modules
In Stock: 90200 pcs
ponazarja njegovo zasnovo za motorične aplikacije, ki vsebuje več ključnih funkcionalnih blokov.Vhodni razdelek obravnava priključke za napajanje in signal, vključno z ozemljitvijo, napajalna napetost (VCC)in Povratne informacije (FO), medtem ko izhodni razdelek obdeluje signale, povezane z operacijo, z "Si out "za izhodne signale in "OT "za zaščito predtemperature.Diagram poudarja tudi komponente kondicioniranja signala, kot so upori in diode, poleg zaščitnih značilnosti, kot so pretočni in prekrivni zaščitni ukrepi.Vsaka faza (N, W, U, V, P) ima namenski bloki Za spremljanje napetosti in toka, ki omogoča natančno upravljanje sistemov za nadzor motorja.

Ta oris paketa za modul
PM100CBS060
PM100CBS060
MITSUBISHI
IGBT Modules
In Stock: 90200 pcs
označuje njegove splošne dimenzije: 120 mm v dolžini, 59 mm širinein 30 mm višine, z a Pin naklon 2,54 mm med večino zatičev.Ima dve montažni luknji, vsaka z a premer 5,5 mm, zasnovan za varno pritrditev v industrijskih aplikacijah.Terminalna postavitev vključuje različne napetosti in kontrolni signal zatiči, kot je vPC, VNC, VUP1 in FO, ki so kritični za vhodne/izhodne povezave in nadzorne funkcije.Ta kompaktna in standardizirana zasnova paketov zagotavlja združljivost s tipičnimi pritrdilnimi sistemi, zaradi česar je primeren za integracijo v napajalne elektronske sisteme.
Pretvornik
Parameter
Ime in simbol
|
Stanje
|
Vrednost in
Enota
|
Napetost zbiralnika-emitterja (vCes)
|
VD= 15V, vCin =
15V
|
600 V.
|
Zbirni tok (+iC)
|
TC = 25 ° C.
|
100 a
|
Zbirateljski tok (vrh) (+iCp)
|
TC = 25 ° C.
|
200 a
|
Zbirateljska razpršenost (strC)
|
TC = 25 ° C.
|
568 W.
|
Temperatura stičišča (tj)
|
-
|
-20 ~ +150 ° C.
|
Kontrolni del
Parameter
Ime in simbol
|
Stanje
|
Vrednost in
Enota
|
Napajalna napetost (vD)
|
Uporablja se med: vUp1-VUPC, VVp1-VVPC, VWp1-VWPC,
VN1-VNc
|
20 V.
|
Vhodna napetost (vCin)
|
Uporablja se med uStr-VUPC, VStr-VVPC, WStr-VWPC, UN.VN.WN
-VNc
|
20 V.
|
Napaka napajanja napajanja (vFo)
|
Uporablja se med fO-VNc
|
VD + 0,5 V
|
Napak izhodni tok (iFo)
|
Potop tok na terminalu
|
20 mA
|
Skupni sistem
Parameter
Ime in simbol
|
Stanje
|
Vrednost in
Enota
|
Napajalna napetost, zaščitena z OC & SC
(VCc (prot))
|
Vd = 13,5 ~ 16,5V, pretvornik del, tj
= 125 ° C začetek
|
400 V.
|
Napajalna napetost (vCC Surge)
|
Uporablja se med P-N, vrednostjo vrednosti
|
500 V.
|
Modulska delovna temperatura (tC)
|
(opomba 1)
|
-20 ~ +110 ° C.
|
Temperatura skladišča (tSTG)
|
-
|
-40 ~ +125 ° C.
|
Izolacijska napetost (vISO)
|
60Hz, sinusoidni, napolnjen del za bazo,
AC 1 min
|
2500 VRMS
|
Toplotna odpornost
Parameter
Ime in simbol
|
Stanje
|
Vrednost in
Enota
|
Stičišče do toplotne odpornosti (rth (j-c) q)
|
TC izmerjena točka je tik pod
čips pretvornik IGBT del (na 1/6 modula)
|
0,22 *° C/W.
|
Stičišče do toplotne odpornosti (rth (j-c) f)
|
TC izmerjena točka je tik pod
čips pretvornik fwdi del (na 1/6 modula)
|
0,36 *° C/W.
|
Kontaktni toplotni upor (rTH (C-F))
|
Primer do plavuti, (na 1 modul) termični
nanese maščoba
|
0,046 ° C/W.
|
Inverterski del
Parameter
Ime in simbol
|
Stanje
|
Min
|
Tip
|
Max
|
Enota
|
Napetost za nasičenost zbiralnika (vCe (sat))
|
Vd = 15V, IC = 100A, vcin = 0V, pulsed
|
TJ = 25 ° C.
|
-
|
1.7
|
2.3
|
V
|
TJ = 125 ° C.
|
-
|
1.7
|
2.3
|
FWDI naprej napetost (VEc)
|
Ic = 100A, vd = 15V, vcin = 15V
|
-
|
2.2
|
3.3
|
V
|
Čas preklopa (tnaprej)
|
Vd = 15V, vcin = 15V+0V, vcc = 300V, ic
= 100A
TJ = 125 ° C, induktivna obremenitev
|
0,8
|
1.2
|
2.4
|
µs
|
Čas preklopa (trr)
|
-
|
0,15
|
0,3
|
µs
|
Čas preklopa (tC (on))
|
-
|
0,4
|
1.0
|
µs
|
Čas preklopa (tOFF)
|
-
|
2.4
|
3.3
|
µs
|
Čas preklopa (tC (OFF))
|
|
-
|
0,5
|
1.0
|
µs
|
Zbirka-emitter Cutift Curcus (iCes)
|
VCE = VCE, VD = 15V
|
TJ = 25 ° C.
|
-
|
-
|
1
|
ma
|
TJ = 125 ° C.
|
-
|
-
|
10
|
Kontrolni del
Parameter
Ime in simbol
|
Stanje
|
Min
|
Tip
|
Max
|
Enota
|
Tok vezja (iD)
|
Vd = 15V, vcin = 15V ,,
|
Vn1-Vnc
|
-
|
40
|
60
|
ma
|
VXP1-VXPC
|
-
|
13
|
18
|
Vhod na mejnem napetosti (Vth (on))
|
Uporablja se med: UP-VUPC, VP-VVPC, WP-VWPC,
Un- Vn-wn-Vnc
|
1.2
|
1.5
|
1.8
|
V
|
Vhodna mejna napetost (vTH (OFF))
|
1.7
|
2.0
|
2.3
|
V
|
Na trenutni ravni potovanja (oC)
|
Vd = 15V ,, tj = 125 ° C
|
TJ = -20 ° C.
|
-
|
-
|
470
|
A
|
TJ = 25 ° C.
|
220
|
290
|
390
|
TJ = 125 ° C.
|
158
|
-
|
-
|
Nivo potovanja s kratkim vezjemC)
|
-20≤ TJ ≤ 125 ° C, VD = 15V
|
-
|
360
|
-
|
A
|
Čez trenutni čas zamude (tOFF (OC))
|
Vd = 15V
|
-
|
10
|
-
|
µs
|
Nad temperaturno zaščito (oT)
|
Zaznajte TJ čipa IGBT
|
Nivo potovanja
|
135
|
145
|
155
|
° C.
|
Nad temperaturno zaščito (oTr)
|
Raven ponastavitve
|
-
|
125
|
-
|
° C.
|
Pod zaščito napetosti (uV)
|
-20 ° C ≤ tj ≤ 125 ° C
|
Nivo potovanja
|
11.5
|
12.0
|
12.5
|
V
|
Pod zaščito napetosti (uVR)
|
Raven ponastavitve
|
-
|
12.5
|
-
|
V
|
Napak izhodni tok (iFo) (H)
|
Vd = 15V, vf0 = 15V
|
-
|
-
|
0,01
|
ma
|
Napak izhodni tok (iFo) l)
|
-
|
10
|
15
|
ma
|
Širina impulza minimalne napake (tFo)
|
Vd = 15V
|
1.0
|
1.8
|
-
|
MS
|
Prednosti
•Visoka učinkovitost: Integracija napredne tehnologije IGBT in diode z mehkim rekordom zmanjšuje preklopne izgube in poveča celotno učinkovitost sistema.
•Kompaktna zasnova: Izoliran paket z ravnim bazom omogoča enostavno namestitev in učinkovito odvajanje toplote, zaradi česar je idealen za aplikacije, ki so omejene s prostorom.
• Integrirana zaščita: Vgrajen nadzemni tok, zaščita kratkega stika in prekomerne temperature zagotavljajo varno in zanesljivo delovanje, ki podaljša življenjsko dobo modula.
•Širok razpon aplikacij: Primerno za različne industrijske aplikacije, vključno z motornimi pogoni, sistemi UPS in sistemi obnovljivih virov energije.
•Nizka napetost nasičenosti: Tipična napetost za nasičenost zbiralnika-emiter 1,7 V izboljša učinkovitost, zlasti v stikalnih okoljih visoke hitrosti.
•Enostaven za uporabo: Monolitni pogon vrat in zaščitna logična vezja poenostavijo oblikovanje in izboljšanje zaznavanja in nadzora napak.
Slabosti
•Omejena trenutna zmogljivost: S tokovno oceno 100A modul morda ni primeren za aplikacije, ki zahtevajo večje ravnanje s tokom.
• Občutljivost temperature: Čeprav lahko deluje v temperaturnem območju od -20 ° C do +150 ° C, lahko za vzdrževanje optimalne temperature zahteva učinkovite hladilne raztopine.
•Stroški: Napredne funkcije in zmogljivosti lahko pridejo po višji ceni v primerjavi z manj izpopolnjenimi moduli, zaradi česar so za nekatere aplikacije manj stroškovno učinkovite.
• Kompleksnost: Za integrirane funkcije in specifikacije bodo morda potrebne bolj izpopolnjeno znanje za pravilno uporabo in integracijo, kar lahko zaplete uporabo v enostavnejših sistemih.
• Pregrevanje: Neustrezno odvajanje toplote lahko privede do pregrevanja, kar je mogoče preprečiti z zagotavljanjem ustreznih metod hlajenja, kot so hlajenje prisilnega zraka in redno preverjanje sistemov toplotnega upravljanja.
• Kratek stik ali pretiravanje: Prekomerni tok ali kratek stik lahko poškoduje modul, ki se mu lahko izognemo z uporabo vgrajenih zaščitnih značilnosti in pravilno velikostjo zunanjih varovalk in odklopnikov.
• Okvarjen pogonski vezje: Neuspeh v vhodnem pogonskem vezju lahko povzroči zmotno preklop, kar je mogoče rešiti s preverjanjem, ali so vrat pogon in logični vezji pravilno integrirani in delujejo ter zagotavljajo, da se na zatiče vrat dovajajo pravilne ravni napetosti.
• Neustrezen odziv zaščitnega vezja: Zaščitna vezja se morda ne bodo vključila, kar se je mogoče izogniti z rednim testiranjem zaščitnih lastnosti, da se zagotovi aktiviranje med pogoji napake in upoštevanje zunanjih sistemov za spremljanje za zgodnje odkrivanje.
• Zmanjšana učinkovitost zaradi staranja: Sčasoma se lahko zmogljivost modula poslabša, kar je mogoče ublažiti z rednim vzdrževalnim pregledom in zamenjavo modula, kadar opazimo znaki razgradnje, kot so povečana VCE (SAT) ali preklopne izgube.
• Napačno pritrditev ali spajkanje: Nepravilna namestitev ali spajkanje lahko privede do slabih povezav, ki jih je mogoče preprečiti z upoštevanjem smernic za namestitev proizvajalca in zagotovitve ustrezne tehnike poravnave in spajkanja.
•
Elektromagnetne motnje (EMI): EMI lahko povzroči okvaro, ki jo je mogoče zmanjšati z izvajanjem ustreznega zaščite, ozemljitvenih tehnik in z uporabo pogonskih tokokrogov z nizko indukcijskimi vrati z zmanjšanimi območji zanke za zmanjšanje EMI.
PM100DSA120
PM100DSA120
Powerex Inc.
MOD IPM DUAL 1200V 100A
In Stock: 7598 pcs
PM50CSE060
PM50CSE060
MITSUBI
IGBT Modules
In Stock: 1318 pcs
Pm30ctj060
PM400DSA060
PM400DSA060
Powerex Inc.
MOD IPM DUAL 600V 400A
In Stock: 6111 pcs
PM75RSA060
PM75RSA060
Powerex Inc.
MOD IPM 3PHASE IGBT 600V 75A
In Stock: 90400 pcs
Značilnost
|
PM100CBS060
PM100CBS060
MITSUBISHI
IGBT Modules
In Stock: 90200 pcs
|
PM100DSA120
PM100DSA120
Powerex Inc.
MOD IPM DUAL 1200V 100A
In Stock: 7598 pcs
|
Proizvajalec
|
Mitsubishi Electric
|
Mitsubishi Electric
|
Vrsta modula
|
Inteligentni modul (IPM)
|
Inteligentni modul (IPM)
|
Ocena napetosti
|
600V
|
1200V
|
Trenutna ocena
|
100A
|
100A
|
Vrhunski tok
|
200A
|
200A
|
Napetost nasičenosti (vce (sat)
|
1.7V
|
2.0V
|
Vrsta paketa
|
Izoliran paket z ravnim bazom
|
Izoliran paket, drugačen faktor obrazca
|
Zaščitne lastnosti
|
Nadtok, kratek stik,
prekomerna temperatura, premajhna
|
Nadtok, kratek stik,
prekomerna temperatura, premajhna
|
IGBT tehnologija
|
4. generacija IGBT
|
4. generacija IGBT
|
Diode
|
Mehke obratne obnovitvene diode
|
Mehke obratne obnovitvene diode
|
Vožnja vrat
|
Monolitni pogon in zaščita vrat
logika
|
Monolitni pogon in zaščita vrat
logika
|
Prijave
|
Motorni pogoni, servo sistemi, UPS
Sistemi, obnovljiva energija
|
Motorni pogoni, servo sistemi, UPS
Sistemi, obnovljiva energija
|
Zahteve za hlajenje
|
Zahteva učinkovito odvajanje toplote (zrak
ali prisilno hlajenje)
|
Zahteva učinkovito odvajanje toplote (zrak
ali prisilno hlajenje)
|
Dimenzije
|
Standardni faktor obrazca IPM
|
Standardni faktor obrazca IPM
|
Cenovni razpon
|
Običajno nižje od PM100DSA120
|
Običajno višji zaradi večje napetosti
ocena
|
Mitsubishi
PM100CBS060
PM100CBS060
MITSUBISHI
IGBT Modules
In Stock: 90200 pcs
ponuja robustno rešitev za različne industrijske aplikacije, ki zahtevajo učinkovit in zanesljiv nadzor električne energije.S svojimi naprednimi značilnostmi, kot so nizka napetost nasičenosti, vgrajena zaščitna vezja in učinkovito toplotno upravljanje, izstopa kot vsestranska izbira za motorne pogone, sisteme UPS in aplikacije obnovljivih virov energije.Čeprav zagotavlja odlične zmogljivosti, je njegova visoka učinkovitost in integracija idealna izbira za sisteme, ki iščejo zanesljivo pretvorbo in zaščito moči.
PDF podatkovnega lista
PM100CBS060 podatkovnih listov:
PM100CBS060 Podrobnosti PDFPM100CBS060 Podrobnosti PDF za FR.PDFPM100CBS060 Podrobnosti PDF za KR.PDFPM100CBS060 Podrobnosti PDF za es.pdfPM100CBS060 Podrobnosti PDF za DE.PDFPm100cbs060 Podrobnosti PDF za to.pdf
Delite to objavo